Szybkie uzgadnianie optycznych ścieżek sygnałowych za pomocą ubieralnego monitora wieloparametrowego
Każda dodatkowa funkcja medycznych urządzeń noszonych zwiększa narzucane projektantom wyzwania związane z integracją, zarządzaniem energią, wydajnością, wagą, czasem prac rozwojowych i kosztami.
Płytka ewaluacyjna ADPD4101
Płytka ewaluacyjna EVAL-ADPD4100Z-PPG (ilustracja 6) jest cenna dla projektantów biorących pod uwagę fotometryczny interfejs ADPD4100/ADPD4101. Płytka implementuje prostą dyskretną konstrukcję optyczną do zastosowań w zakresie monitorowania podstawowych parametrów fizjologicznych, w szczególności naręcznych fotopletysmografów.

Ilustracja 6: Płytka EVAL-ADPD4100Z-PPG pomaga w ewaluacji układu ADPD4100/ADPD4101 do projektowania naręcznych fotopletysmografów (PPG). Na elementy optyczne (po prawej) składają się: trzy zielone, jedna podczerwona i jedna czerwona dioda LED oraz fotodioda. (Źródło ilustracji: Analog Devices)
Płytka EVAL-ADPD4100Z-PPG posiada oddzielnie sterowane diody LED: trzy zielone, jedną podczerwoną i jedną czerwoną. Jest też jedna wbudowana fotodioda, dzięki której płytka ewaluacyjna jest gotowa do natychmiastowego działania.
Projekt referencyjny układu ADPD4101
Przydatnym narzędziem do podłączenia czujników do układu ADPD4101 jest projekt referencyjny EVAL-CN0503-ARDZ. Ten projekt referencyjny nie odnosi się konkretnie do monitorów ubieralnych, ale jest przydatny, aby zobaczyć, jak podręcznik użytkownika CN0503 ilustruje wykorzystanie układu ADPD4101 w EVAL-CN0503-ARDZ do wykrywania zmętnienia, pH, składu chemicznego i innych właściwości fizycznych. Projekt referencyjny EVAL-CN0503-ARDZ to rekonfigurowalna, wieloparametrowa optyczna platforma do cieczy, która umożliwia wykonywanie pomiarów kolorymetrycznych i fluorometrycznych (ilustracja 7).
Ilustracja 7: Uproszczony schemat optycznej platformy do pomiaru cieczy EVAL-CN0503-ARDZ. (Źródło ilustracji: Analog Devices).
Platforma EVAL-CN0503-ARDZ w połączeniu z płytką rozwojową EVAL-ADICUP3029 ma cztery konfigurowalne ścieżki optyczne (ilustracja 8). Dwie zewnętrzne ścieżki obejmują również prostopadłe fotodiody i gniazda filtracyjne do pomiarów fluorescencji i rozpraszania. Każda ścieżka posiada wzbudzającą diodę LED, soczewkę kondensora, rozdzielacz wiązki, fotodiodę referencyjną i fotodiodę nadawczą.

Ilustracja 8: W pełni zmontowana platforma EVAL-CN503-ARDZ (na górze) i płytka rozwojowa EVAL-AIDCUP3029 (na dole). (Źródło ilustracji: Analog Devices)
Bonnie Baker
Bonnie Baker jest doświadczonym inżynierem elektroniki w dziedzinie analogów, sygnałów mieszanych i łańcuchów sygnałowych. Publikuje i jest autorem setek artykułów technicznych, kolumn EDN i notek produktowych w publikacjach branżowych. Napisała książkę „A Baker's Dozen: Real Analog Solutions for Digital Designers”, jest też współautorką kilku innych książek. Pracowała w firmach Burr-Brown, Microchip Technology, Texas Instruments i Maxim Integrated. Planowała, pisała i prezentowała kursy on-line na różne tematy inżynierskie, w tym ADC, DAC, wzmacniaczy operacyjnych, wzmacniaczy oprzyrządowania, SPICE i modelowania IBIS.
Omawiany układ optyczny w połączeniu ze sterownikiem CN0503-Device i oprogramowaniem ewaluacyjnym Wavetool, zapewnia ścieżkę do kompleksowej optycznej analizy cieczy.
Podsumowanie
Od projektantów ciągle wymaga się rozszerzenia funkcji monitorów ubieralnych. To dodatkowo komplikuje i spowalnia proces projektowania, zwiększa koszt komponentów i zwiększa zużycie energii. Potrzebne jest bardziej zintegrowane podejście do monitorowania zdrowia.
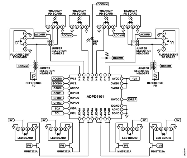
Połączenie diod LED, fotodetektorów, ścieżki sygnałowej przetwornika analogowo-cyfrowego (ADC) i dwunastu taktowanych ścieżek sygnałowych generowanych przez moduł ADPD4101 firmy Analog Devices stanowi wysoce precyzyjny, solidny układ detekcyjny do ubieralnych urządzeń medycznych i rekreacyjnych. Dzięki wielu kanałom LED i analogowym układu ADPD4101 oraz doskonałym algorytmom taktowania, omawiane urządzenie stanowi idealne rozwiązanie do pomiarów SpO2, EKG serca i rezystancji skóry za pomocą urządzeń ubieralnych.
Źródło ©: www.digikey.pl
Kontakt w Polsce
Arkadiusz Rataj
Sales Manager Central Eastern Europe & Turkey
Digi-Key Electronics Germany
0048 696 307 330
arkadiusz.rataj@digikey.com
poland.support@digikey.pl
