Szybkie uzgadnianie optycznych ścieżek sygnałowych za pomocą ubieralnego monitora wieloparametrowego
Każda dodatkowa funkcja medycznych urządzeń noszonych zwiększa narzucane projektantom wyzwania związane z integracją, zarządzaniem energią, wydajnością, wagą, czasem prac rozwojowych i kosztami.
Pomiary biopotencjału i bioimpedancji
Biopotencjał to sygnał elektryczny wynikający z elektrochemicznej aktywności organizmu. Na przykład pomiarem biopotencjału może być EKG. Wyjątkowo niska amplituda sygnału bicia serca wynosi od 0,5mV do 4mV i ma zakres częstotliwości od 0,05Hz do 40Hz.
W szpitalu lub gabinecie lekarskim lekarz monitoruje czynność serca, mocując elektrody do skóry. Zwilżone elektrody zapewniają dobry kontakt z ciałem. Zazwyczaj są to elektrody ze srebra/chlorku srebra (Ag/AgCl). Osoby korzystające z urządzeń ubieralnych stwierdzają, że te elektrody są wyjątkowo niewygodne i mogą łatwo wysychać lub podrażniać skórę.
Alternatywnym rozwiązaniem jest ubieralny obwód EKG, który gromadzi ładunek elektryczny na kondensatorze czujnikowym. Dzięki zoptymalizowanej stałej czasowej, obliczonej na podstawie pasywnej sieci rezystor-kondensator (RC), proces ładowania eliminuje zmiany impedancji styku skóra-elektroda. Na ilustracji 3 sygnał EKG łączy się z układem rezystor-kondensator (RC) i wzmacniaczem transimpedancyjnym TIA1. Ten obwód EKG charakteryzuje się naturalną odpornością na zmiany impedancji styku skóra-elektroda.

Ilustracja 3: Elektrody EKG+ i EKG- stanowią suche połączenia z pacjentem. Te elektrody przekazują zmianę ładunku skóry do układu rezystor-kondensator (RC). BIO-Z1 i BIO-Z2 są połączeniami przez rezystor plastrowy (RBIO-Z) i wykorzystują wzmacniacz transimpedancyjny (TIA2) do pomiaru zmiany rezystancji skóry równolegle z RBIO-Z. (Źródło ilustracji: Analog Devices, zmodyfikowana przez Bonnie Baker)
Pomiar bioimpedancji to kolejny pomiar, który dostarcza użytecznych informacji fizykalnych. Pomiary impedancji dostarczają informacji o aktywności elektrodermalnej w zakresie składu ciała i poziomu nawodnienia. Drugi obwód czujnikowy na ilustracji 3 mierzy rezystancję skóry na podstawie rezystancji elektrody, RBIO-Z, równolegle z rezystancją skóry. To badanie nie wymaga sygnału LED. Rezystancja skóry jest w przybliżeniu nieskończona, chyba że pacjent pod elektrodą wytwarza wilgoć lub pot. Wytwarzanie potu w ciele zmniejsza równoległą rezystancję skóry, zwiększając prąd płynący do wejścia odwracającego wzmacniacza transimpedancyjnego (TIA2).
Ubieralne urządzenia do monitorowania stanu zdrowia i kondycji fizycznej stanowią unikalną kombinację wyzwań związanych z wykrywaniem parametrów fizjologicznych. Każde dodatkowe wymaganie zwiększa złożoność obwodu i powierzchnię płytki drukowanej. Wraz ze wzrostem liczby opcji monitorów stanu zdrowia i kondycji rośnie zapotrzebowanie na wysoce zintegrowany, złożony i kompaktowy układ scalony.
Zintegrowany czujnik multimodalny
Układy scalone ADPD4100 i ADPD4101 to kompletne moduły czujników multimodalnych, które mogą wzbudzać maksymalnie osiem diod LED i mierzą sygnały zwrotne za pomocą maksymalnie ośmiu oddzielnych wejść prądowych. Dostępnych jest dwanaście przedziałów czasowych, umożliwiających uzyskanie dwunastu niezależnych pomiarów na okres próbkowania. Wejścia analogowe mogą być sterowane niesymetrycznie lub w parach różnicowych. Osiem wejść analogowych jest multipleksowanych w jeden kanał lub dwa niezależne kanały, co pozwala na jednoczesne próbkowanie dwóch czujników. Jedyną różnicą między tymi dwoma produktami jest to, że układ ADPD4100 posiada interfejs SPI, a ADPD4101 jest wyposażony w interfejs I2C (ilustracja 4).
Ilustracja 4: Na schemacie blokowo-funkcjonalnym układów ADPD4100 i ADPD4101 pokazano kanały wyjściowe zasilacza LED i analogowe kanały wejściowe. Kanały wejściowe odbierają fotodiodowe lub pojemnościowe sygnały prądowe celem konwersji przez przetwornik analogowo-cyfrowy (ADC). (Źródło ilustracji: Analog Devices)
Na ilustracji 4 układ taktowania przetwarzania cyfrowego posiada dwanaście dostępnych przedziałów czasowych, co pozwala uzyskać dwanaście oddzielnych pomiarów w jednym okresie próbkowania. Wraz z zewnętrznymi diodami LED i fotodiodami elastyczna architektura układu ADPD4100/ADPD4101 pomaga projektantom sprostać ich potrzebom w zakresie pomiarów wykonywanych za pomocą urządzeń ubieralnych poprzez zbieranie danych dotyczących biopotencjału i bioimpedancji. Układ ADPD4100 stanowi kompletny moduł analogowy z cyfrowym interfejsem SPI. Cyfrowym interfejsem układu ADPD4101 jest I2C.
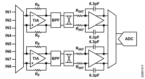
Ścieżki sygnału analogowego ADPD4100/ADPD4101 składają się z ośmiu wejść prądowych, które można skonfigurować jako pary różnicowe lub niesymetryczne w jeden z dwóch niezależnych kanałów (ilustracja 5).

Ilustracja 5: Na schemacie blokowym ścieżki sygnału analogowego znajduje się osiem analogowych zacisków wejściowych i dwa wzmacniacze transimpedancyjne (TIA). Przed układem całkującym, który pomaga w zwiększeniu rozdzielczości przetwornika analogowo-cyfrowego znajduje się filtr pasmowo-przepustowy. (Źródło ilustracji: Analog Devices)
Na ilustracji 5 dostępna jest opcja jednoczesnego próbkowania dwóch czujników za pomocą dwóch kanałów wzmacniacza transimpedancyjnego. Każdy kanał może uzyskać dostęp do wzmacniacza transimpedancyjnego (TIA) z programowalnym wzmocnieniem (RF), filtrem pasmowo-przepustowym (BPF) z wierzchołkiem górnoprzepustowym na poziomie 100kHz, dolnoprzepustową częstotliwością odcięcia rzędu 390kHz oraz układem całkującym zdolnym do całkowania ±7,5pC na próbkę. Każdy kanał jest multipleksowany czasowo do 14-bitowego przetwornika analogowo-cyfrowego. Na ilustracji 5 element opisany jako RINT jest rezystorem szeregowym na wejściu układu całkującego.
Układ ADPD4100/ADPD4101 rozwiązuje wiele wyzwań, przed jakimi stają projektanci, pracując nad urządzeniami ubieralnymi. Biomedyczny układ front-end spełnia wszystkie wymagania dzięki wysokiej wydajności, dwukanałowemu stopniowi wejściowemu czujnika, kanałom stymulacyjnym, cyfrowemu aparatowi przetwarzania i układowi taktowania. Ta generacja układu frond-end do czujników multimodalnych ma ulepszony stosunek sygnału do szumu wynoszący 100dB i zmniejszone zużycie energii na poziomie 30µW dla całego układu.
