Jak odizolować zasilanie i sygnały w celu zapewnienia niezawodności działania magistral CAN
Wprawdzie magistrale CAN są przystosowane do pracy w niesprzyjającym środowisku elektrycznym, jednak niezabezpieczone wciąż są podatne na różnego rodzaju usterki.
Obserwuje się dynamiczny wzrost zastosowań kontrolerów w systemach motoryzacyjnych i przemysłowych, połączonych z szeregowymi magistralami komunikacyjnymi CAN (Controller Area Network). Dla projektantów oznacza to, że muszą wziąć pod uwagę środowiska, gdzie występują zakłócenia elektryczne w bardzo szerokim zakresie częstotliwości - od promieniowanych zakłóceń elektromagnetycznych (EMI) wysokich częstotliwości, do przewodzonych zakłóceń współbieżnych i przeskoków napięcia wynikających z podłączania i odłączania różnych odbiorników, takich jak silniki elektryczne, przekaźniki, a także uruchamianie i zatrzymywanie alternatorów/prądnic. Wprawdzie magistrale CAN są przystosowane do pracy w niesprzyjającym środowisku elektrycznym, jednak niezabezpieczone są podatne na różnego rodzaju usterki.
W niniejszym artykule omówiono potencjalne przyczyny usterek magistrali CAN i przedstawiono najczęściej stosowane techniki ich izolacji. Następnie zaprezentowano rozwiązania oferowane przez takich dostawców jak Texas Instruments, RECOM Power, NXP Semiconductors, i Analog Devices, które mogą zostać wykorzystane przez projektantów do ochrony urządzeń CAN, wraz z wytycznymi umożliwiającymi skuteczne wdrożenie tych rozwiązań, włączając w to zastosowanie płytek ewaluacyjnych. Zaprezentowane rozwiązania obejmują implementacje dyskretne (tj. oparte na indywidualnych nadajniko-odbiornikach CAN) oraz rozwiązania zintegrowane, bazujące na jednoukładowych i dwuukładowych konstrukcjach izolowanych magistrali CAN.
Przyczyny usterek i potrzeba izolacji
Usterki w magistralach CAN mogą być spowodowane wieloma przyczynami: różnice potencjałów masy pomiędzy podsystemami, ogólne źródła zakłóceń w postaci energii promieniowanej i współbieżnej, zakłócenia wysokiego napięcia i wyskoki napięcia w magistrali dystrybucji energii. Dla zapewnienia niezawodnej pracy połączeń magistral CAN w systemach motoryzacyjnych i przemysłowych wymagane są dwa rodzaje izolacji:
- Izolacja od magistrali zasilającej
- Izolacja magistral komunikacyjnych łączących różne podsystemy
Rozwiązania wykorzystujące oddzielne izolacje dla ścieżek sygnałowych i zasilania są często tańsze oraz skuteczniejsze w porównaniu z rozwiązaniami zintegrowanymi. Rozwiązania takie pozwalają również projektantom na niezależną optymalizację poziomów izolacji dla obydwu ścieżek. Wybór rodzaju techniki izolacji najlepiej odpowiadający konkretnemu zastosowaniu należy do projektanta. Dostępne są izolacje typu magnetycznego, optycznego i pojemnościowego. Szczegółowe omówienie różnych opcji izolacji wykracza poza zakres niniejszego artykułu. Ich podsumowanie zamieszczono w artykule „Jak dobrać odpowiednią technikę izolacji galwanicznej dla czujników IoT”.
Istnieje również rozróżnienie pomiędzy podstawową izolacją elektryczną (z użyciem materiałów uniemożliwiających przepływ prądu elektrycznego) i izolacją wzmocnioną. Wymagany poziom izolacji jest ustalany na podstawie występujących napięć a także obecności lub braku połączenia dostępnych części z ziemią. Izolacja podstawowa zapewnia jeden poziom ochrony przed porażeniem prądem elektrycznym. Systemy o napięciu powyżej 60V= lub 30V~ są uznawane za niebezpieczne i wymagają co najmniej jednego poziomu ochrony. System niekoniecznie będzie odporny na uszkodzenia, jednak wszelkie usterki zostaną zatrzymane wewnątrz systemu. Izolacja wzmocniona lub podwójna zapewnia dwa poziomy ochrony. Zapewnia to bezpieczeństwo użytkownika w razie wystąpienia awarii. System podłączony do napięć sieciowych musi posiadać izolację wzmocnioną.
Kompromisy projektowe różnych rozwiązań izolacji
Opcje izolacji w systemach magistral CAN obejmują rozwiązania dyskretne, w których zasilanie oraz sygnały są izolowane odrębnie, a także w pełni zintegrowane rozwiązania izolacji zasilania i sygnałów. Rozwiązania zintegrowane mogą również zawierać powiązane funkcje zabezpieczeń, na przykład zapewniające wysoką odporność na wyładowania elektrostatyczne (ESD) oraz odporność na częstotliwości radiowe (RF), co pozwala na ich użycie w zastosowaniach motoryzacyjnych i przemysłowych bez dodatkowych urządzeń zabezpieczających, takich jak na przykład diody tłumiące napięcia stanów nieustalonych.
Poszczególne rozwiązania charakteryzują się różnym poziomem kompromisu pomiędzy sprawnością i rozmiarami. Jeżeli chodzi o rozmiary rozwiązania, najmniejsze są rozwiązania jednoukładowe - zwykle zajmują około 330mm2. Rozwiązania dwuukładowe są większe i zajmują zwykle około 875mm2. Ze względu na rozmiary zewnętrznej przetwornicy prądu stałego i wymaganych komponentów towarzyszących, rozwiązania dyskretne są znacznie większe i zajmują zwykle od około 1600 do 2000mm2.
Kompromis sprawności polega na tym, że większe rozwiązania zwykle mają znacznie wyższą sprawność. Ponieważ występujące poziomy mocy są zwykle raczej niskie - od 3 do 5V przy maksymalnie 15mA - wpływ zjawisk termicznych w danej konstrukcji może nie być znaczący. Sprawności mieszczą się w przedziale od 50% do 60% dla rozwiązań jednoukładowych i dwuukładowych oraz dochodzą do 75%-80% w przypadku rozwiązań wykorzystujących zewnętrzne przetwornice prądu stałego.
Dyskretne rozwiązania izolacji dla nadajniko-odbiorników CAN
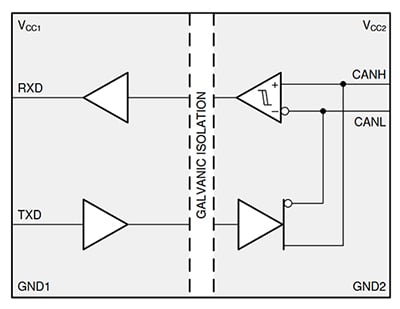
Izolowane nadajniko-odbiorniki CAN są względnie prostymi urządzeniami. Weźmy na przykład izolowany nadajniko-odbiornik ISO1042DWR firmy Texas Instruments z 70V zabezpieczeniem przeciwawaryjnym magistrali i elastyczną prędkością przesyłu danych (ilustracja 1). Urządzenia ISO1042DWR są dostępne do wyboru z izolacją podstawową lub wzmocnioną. Podstawowe nadajniko-odbiorniki ISO1042 zostały zaprojektowane z myślą o zastosowaniach przemysłowych.

Ilustracja 1: Izolowane nadajniko-odbiorniki CAN ISO1042 dostępne są do wyboru z podstawową lub wzmocnioną izolacją galwaniczną. (Źródło ilustracji: ©Texas Instruments)
Układy ISO1042 obsługują prędkości do 5Mb/s w trybie elastycznej prędkości przesyłu danych (FD) co pozwala uzyskać szybszą transmisję danych w porównaniu z klasyczną magistralą CAN. Urządzenia te wykorzystują barierę izolacyjną z dwutlenku krzemu (SiO2) wytrzymującą napięcia skuteczne 5000V. Układy ISO1042 pozwalają projektantom na dobór optymalnej ochrony magistrali pod kątem konkretnych potrzeb poszczególnych zastosowań. Urządzenia te są używane łącznie z zasilaczami izolowanymi i zapobiegają przepływowi prądów zakłócających w magistrali danych i innych obwodów do lokalnej masy oraz zaburzaniu pracy i uszkodzeniom wrażliwych obwodów.
Omawiane izolowane nadajniko-odbiorniki CAN posiadają szereg certyfikatów bezpieczeństwa (związanych z ważnymi certyfikacjami i normami dotyczącymi bezpieczeństwa urządzeń oferujących opcje izolacji podstawowej i/lub wzmocnionej):
- 7071-VPK VIOTM oraz 1500-VPK VIORM (opcja podstawowa i wzmocniona) według normy DIN VDE V 0884-11:2017-01
- Izolacja przy 5000VRMS przez jedną minutę zgodnie z normą UL 1577
- Certyfikacje IEC 60950-1, IEC 60601-1 oraz EN 61010-1
- Certyfikacje CQC, TUV oraz CSA
Istnieją dwie opcje płytek ewaluacyjnych dla projektantów rozważających użycie układu ISO1042. Firma Texas Instruments oferuje moduł ewaluacyjny ISO1042DWEVM, który pozwala inżynierom ocenić wysokowydajne układy ISO1042 ze wzmocnioną izolacją magistrali CAN, zamknięte w szerokich 16-wtykowych obudowach SOIC (kod obudowy DW). Moduł ewaluacyjny (EVM) zalicza się do rozwiązań dwuukładowych i zawiera liczbę punktów pomiarowych i opcji mostków, które pozwalają na ocenę urządzenia przy zastosowaniu minimalnej ilości komponentów zewnętrznych.
Firma RECOM Power oferuje płytki ewaluacyjne R-REF03-CAN1 dla układu ISO1042. Płytki R-REF03-CAN1 demonstrują wykorzystanie izolowanego nadajniko-odbiornika CAN ISO1042 zasilanego z izolowanej przetwornicy prądu stałego R1SX-3.305/H. Do zasilania płytek referencyjnych wymagane jest tylko zewnętrzne zasilanie 3,3V. Wspomniane płytki referencyjne pozwalają projektantom na szybkie opracowanie systemów izolowanych i ich analizę.
Układy ISO1042 firmy Texas Instruments zostały zoptymalizowane pod kątem użycia w przemysłowych zastosowaniach magistral CAN, natomiast nadajniko-odbiorniki CAN wysokiej prędkości TJA1052i firmy NXP są przeznaczone specjalnie do pojazdów elektrycznych (EV) i hybrydowych (HEV), gdzie bariery izolacji galwanicznej są wymagane pomiędzy częściami wysokiego i niskiego napięcia (ilustracja 2).

Ilustracja 2: Układ TJA1052i firmy NXP, jest zoptymalizowany pod kątem użycia w pojazdach elektrycznych i hybrydowych. (Źródło ilustracji: © NXP Semiconductors)
Układy TJA1052i zostały zaprojektowane do stosowania w systemach zarządzania bateriami litowo-jonowymi (Li-ion), hamowania odzyskowego oraz przechodzenia pomiędzy poziomami 48V i 12V. Urządzenia te można również wykorzystywać do izolacji pomp i silników wysokiego napięcia działających na żądanie, w projektach eliminujących pasy. Posiadający kwalifikację AEC-Q100 układ TJA1052i wykorzystuje warstwę fizyczną (PHY) magistrali CAN zgodnie z definicją w normie ISO 11898-2:2016 i normach od SAE J2284-1 do SAE J2284-5. Dostępne są trzy poziomy izolacji: 1kV, 2,5kV oraz 5kV. Podobnie do układu ISO1042, również TJA1052i wymaga zewnętrznego izolowanego źródła zasilania.
Zintegrowane rozwiązania izolacji sygnałów i zasilania
Dyskretne wdrożenia przetwornic prądu stałego charakteryzują się zwykle wyższą sprawnością w porównaniu z odpowiednikami zintegrowanymi, jednak te drugie posiadają szereg zalet:
- Zmniejszenie powierzchni płytki
- Łatwiejsza certyfikacja
- Prostota projektowania
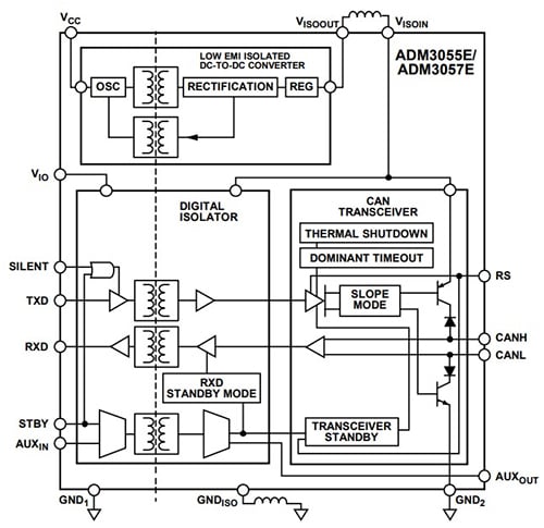
Urządzenia ADM3055E/ADM3057E firmy Analog Devices są nadajniko-odbiornikami CAN z izolacją 5kVrms oraz 3kVrms, posiadającymi zintegrowane izolowane przetwornice prądu stałego (ilustracja 3).

Ilustracja 3: Izolowane nadajniko-odbiorniki CAN ADM3055E/ADM3057E zawierają w sobie izolację zarówno zasilania, jak i sygnałów. (Źródło ilustracji: ©Analog Devices)
Urządzenia są zasilane z jednego źródła 5V i stanowią w pełni izolowane rozwiązania dla magistral CAN oraz CAN FD. Emisje promieniowane przez przełączanie wysokiej częstotliwości w przetwornicach prądu stałego są utrzymywane na poziomach poniżej limitów klasy B określonych przez normę EN 55022 poprzez ciągłą regulację częstotliwości przełączania. Aprobaty bezpieczeństwa i zgodności z przepisami (oczekujące w momencie opracowania dokumentu) dla napięć skutecznych izolacji 5kV, prób udarowych 10kV oraz upływu i odstępu izolacyjnego 8,3mm zapewniają, że urządzenia ADM3055E spełniają wymagania dotyczące izolacji wzmocnionej. Układy ADM3057E posiadają skuteczne napięcie izolacji kV i drogę upływu 7,8mm w szerokiej 20-odprowadzeniowej obudowie SOIC.
Firma Analog Devices oferuje płytki ewaluacyjne EVAL-ADM3055EEBZ wspierające prace projektowe z wykorzystaniem układów ADM3055E/ADM3057E. Układy ADM3055E oraz ADM3057E integrują w sobie kanały izolacji sygnału kluczowania włącz-wyłącz (OOK) strony logicznej oraz przetwornice prądu stałego isoPower firmy Analog Devices, które zapewniają regulowane i izolowane zasilanie o parametrach znacznie poniżej limitów klasy B według normy EN55022 podczas transmisji na dwuwarstwowej płytce drukowanej z wykorzystaniem koralików ferrytowych do montażu powierzchniowego.
Firma Texas Instruments stosuje inne podejście do izolacji zasilania i sygnałów w komunikacji CAN, oparte na rozwiązaniu dwuukładowym wykorzystującym dwukanałowe urządzenie ISOW7841 izolujące zasilanie i dane wraz z nadajniko-odbiornikiem CAN TCAN1042H (ilustracja 4).

Ilustracja 4: rozwiązanie dwuukładowe zapewnia izolację sygnałów i zasilania w jednym układzie (po lewej) oraz komunikacji CAN w drugim układzie (po prawej). (Źródło ilustracji: ©Texas Instruments)
Integracja transformatora wewnątrz układu ISOW7841 oszczędza miejsce nie tylko w kierunku osi x i y, ale również w kierunku osi z (wysokości). Ocenę układu ISOW7841 można przeprowadzić z wykorzystaniem modułu ewaluacyjnego ISOW7841EVM. W przypadku pracy z dwoma układami, ogólną przestrzeń na płytce można zmniejszyć umieszczając urządzenie ISOW7841 po jednej stronie płytki, a urządzenie CAN po drugiej.
Omawiane rozwiązanie dwuukładowe pozwala uzyskać konstrukcje, które nie wymagają jakichkolwiek dodatkowych komponentów w celu zapewnienia izolowanego zasilania, dzięki czemu rozwiązanie izolacyjne ma rozmiary mniejsze niż jedna czwarta rozwiązań wykorzystujących transformatory dyskretne do dostarczania wymaganego izolowanego zasilania. Jeden z projektów referencyjnych posiada pojedyncze wejście zasilania od 3 do 5,5V oraz sygnały cyfrowe odpowiadające poziomowi zasilania wejściowego po jednej stronie płytki. Układ ISOW7841 generuje następnie zasilanie izolowane z wykorzystaniem zintegrowanej przetwornicy prądu stałego, która służy do zasilania nadajniko-odbiornika CAN po drugiej stronie płytki. Sygnały po stronie zasilającej płytki są odizolowane i połączone z nadajniko-odbiornikiem CAN, który konwertuje sygnały jednostronne na format różnicowy CAN.
Podsumowanie
Izolacja zasilania i sygnału jest niezbędna dla ochrony magistral CAN przed ewentualnymi usterkami, jakie mogą być spowodowane przez różnice potencjałów masy pomiędzy podsystemami, ogólne źródła zakłóceń w postaci energii promieniowanej i współbieżnej, zakłócenia wysokiego napięcia i wyskoki napięcia w magistrali dystrybucji energii.
Jak to przedstawiono, opcje izolacji dla systemów magistral CAN obejmują rozwiązania dyskretne, w których zasilanie oraz sygnały są izolowane odrębnie, a także w pełni zintegrowane rozwiązania izolacji zasilania i sygnałów, które mogą również zawierać powiązane funkcje zabezpieczeń, umożliwiające ich użycie w zastosowaniach motoryzacyjnych i przemysłowych bez dodatkowych urządzeń zabezpieczających, takich jak na przykład diody tłumiące.
Autor: Jeff Shepard
Artykuł opublikowano dzięki uprzejmości firmy DigiKey