Maksymalizacja wydajności sterowania urządzeniami zasilającymi dzięki odpowiedniej przetwornicy mocy sterownika bramek
Przełączające urządzenia półprzewodnikowe, takie jak tranzystory MOSFET wykonane z krzemu (Si), węglika krzemu (SiC) i azotku galu (GaN), a także tranzystory bipolarne z izolowaną bramką (IGBT) stanowią klucz do wydajnych projektów systemów zasilania.
Przełączające urządzenia półprzewodnikowe, takie jak tranzystory MOSFET wykonane z krzemu (Si), węglika krzemu (SiC) i azotku galu (GaN), a także tranzystory bipolarne z izolowaną bramką (IGBT) stanowią klucz do wydajnych projektów systemów zasilania, od zasilaczy i napędów silnikowych po stacje ładowania i niezliczone inne zastosowania. Jednak aby osiągnąć maksymalne parametry działania urządzenia zasilającego, potrzebny jest odpowiedni sterownik bramek.
Jak sama nazwa wskazuje, rolą tego komponentu jest sterowanie bramkami urządzeń zasilających, czyli szybkie i dynamiczne włączanie i wyłączanie trybu przewodzenia. Wymaga to od sterownika możliwości dostarczenia/odebrania wystarczającego prądu pomimo wewnętrznej pojemności urządzenia i pojemności błądzącej (pasożytniczej) oraz innych problemów na odbiorniku (bramce). W konsekwencji zapewnienie odpowiedniego rozmiaru sterownika bramek o odpowiednich kluczowych atrybutach ma krytyczne znaczenie dla wykorzystania pełnego potencjału i sprawności urządzenia zasilającego. Jednak maksymalne wykorzystanie sterownika bramek wymaga od projektanta zwrócenia szczególnej uwagi na zasilanie sterownika prądem stałym, które jest niezależne od szyny prądu stałego urządzenia zasilającego. Jest ono podobne do zasilania konwencjonalnego, ale różni się pewnymi istotnymi szczegółami. Może to być zasilanie unipolarne, ale w wielu przypadkach jest to niesymetryczne zasilanie bipolarne, przy czym istnieją jeszcze inne różnice funkcjonalne i strukturalne. Projektanci muszą również zwrócić uwagę na parametry fizyczne, a dokładniej na dostępną powierzchnię płytki i potrzebę zachowania niskiego profilu oraz zgodności z przewidywanymi procesami montażu i produkcji.
W niniejszym artykule skupimy się na zasilaczach do sterowników bramek, na przykładzie zasilaczy prądu stałego do montażu powierzchniowego (SMD) w 2-watowych przetwornicach prądu stałego sterowników bramek firmy Murata Power Solutions z serii MGJ2.
Zacznijmy od urządzeń przełączających
Zrozumienie roli i pożądanych atrybutów przetwornicy prądu stałego sterownika bramek zaczyna się od urządzeń przełączających. Gdy urządzeniem przełączającym jest tranzystor MOSFET, do sterowania stanem włączenia/wyłączenia urządzenia służy ścieżka bramka-źródło (podobnie jest w przypadku tranzystorów bipolarnych z izolowaną bramką - IGBT). Gdy napięcie bramka-źródło jest mniejsze niż napięcie progowe (VGS < VTH), tranzystor MOSFET znajduje się w obszarze odcięcia, nie płynie prąd drenu, ID = 0A, a tranzystor MOSFET jest podobny do „otwartego przełącznika” (ilustracja 1).

Ilustracja 1: W trybie odcięcia ścieżka dren-źródło tranzystora MOSFET jest podobna do otwartego przełącznika. (Źródło ilustracji: Quora)
I odwrotnie - gdy napięcie bramka-źródło jest znacznie wyższe od napięcia progowego (VGS > VTH), tranzystor MOSFET znajduje się w swoim obszarze nasycenia, płynie maksymalny prąd drenu (ID = VDD /RL), a tranzystor MOSFET jest podobny do „zamkniętego przełącznika” o niskiej rezystancji (ilustracja 2). Dla idealnego tranzystora MOSFET napięcie dren-źródło wyniosłoby zero (VDS = 0V), ale w praktyce VDS wynosi zwykle około 0,2V ze względu na wewnętrzną rezystancję w stanie włączenia RDS(on), która typowo wynosi poniżej 0,1Ω, a może wynosić zaledwie kilkadziesiąt miliomów.

Ilustracja 2: W trybie nasycenia ścieżka dren-źródło tranzystora MOSFET jest podobna do przełącznika o niskiej rezystancji. (Źródło ilustracji: Quora)

Ilustracja 3: Ten model tranzystora MOSFET charakteryzuje pojemność i indukcyjność pasożytnicza, które wpływają na parametry działania sterownika. (Źródło ilustracji: Texas Instruments)

Ilustracja 4: Oscylacje komutacyjne wyjścia sterownika spowodowane elementami pasożytniczymi w obciążeniu tranzystora MOSFET mogą powodować fałszywe wyzwalanie, podobne do odbijania styków w przełączniku mechanicznym. (Źródło ilustracji: Learn About Electronics)
Diagramy pokazują, że napięcie przyłożone do bramki włącza i wyłącza tranzystor MOSFET, choć to tylko część zachodzących zjawisk. To napięcie kieruje prąd do tranzystora MOSFET, aż zgromadzi się tam wystarczająca ilość ładunku, aby go włączyć. W zależności od wielkości (prąd znamionowy) i typu sterowania przełączającego, ilość prądu potrzebna do szybkiego przejścia w stan pełnego włączenia może wynosić od kilku miliamperów (mA) do kilku amperów (A).
Zadaniem sterownika bramek jest szybkie i dynamiczne dostarczanie wystarczającej ilości prądu do bramki w celu włączenia tranzystora MOSFET i odwrotnie - usunięcie tego prądu w celu wyłączenia tranzystora MOSFET. Innymi słowy bramka musi być sterowana ze źródła o niskiej impedancji, zdolnego do pozyskiwania i oddawania wystarczającej ilości prądu, aby zapewnić szybkie dostarczanie i odbieranie ładunku sterującego.
Gdyby bramka tranzystora MOSFET miała postać odbiornika czysto rezystancyjnego, dostarczanie i odbieranie tego prądu byłoby stosunkowo proste. Jednak tranzystor MOSFET ma wewnętrzne pojemnościowe i indukcyjne elementy pasożytnicze, a także występują elementy pasożytnicze na połączeniach między sterownikiem a urządzeniem mocy (ilustracja 3).
Rezultatem są oscylacje komutacyjne sygnału sterującego bramką względem napięcia progowego powodujące, że urządzenie na swojej drodze do pełnego włączenia lub wyłączenia włącza i wyłącza się tymczasowo, czasami nawet wielokrotnie. Jest to sytuacja nieco przypominająca „odbijanie styków” przełącznika mechanicznego (ilustracja 4).
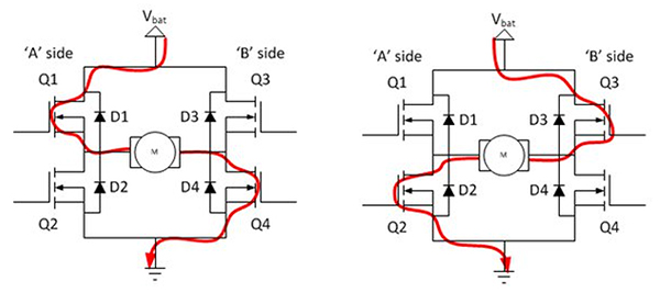
Konsekwencje mogą być zarówno niezauważone, jak i po prostu irytujące w codziennych zastosowaniach, takich jak włączanie lub wyłączanie światła, ale mogą także powodować całkowite uszkodzenie w szeroko stosowanych szybko przełączających obwodach z modulacją szerokości impulsu (PWM) zasilaczy, napędów silnikowych i podobnych podsystemów. Takie zjawiska mogą powodować zwarcia, a nawet trwałe uszkodzenia, w standardowych topologiach pół- i pełnomostkowych, w których odbiornik jest umieszczony między górną i dolną parą tranzystorów MOSFET, jeśli oba tranzystory MOSFET na jednej stronie mostka zostaną włączone jednocześnie, nawet na chwilę. Zjawisko to znane jest jako „jednoczesne przewodzenie (shoot-through)” (ilustracja 5).
Ilustracja 5: W przeciwieństwie do normalnego włączenia tranzystorów MOSFET Q1 i Q4 (po lewej) lub Q2 i Q3 (po prawej), jeżeli nastąpi jednoczesne włączenie tranzystorów Q1 i Q2 lub Q3 i Q4 mostka z powodu problemów ze sterownikiem lub innych przyczyn, między szyną zasilającą a uziemieniem wystąpi niedopuszczalny i grożący uszkodzeniem stan zwarcia zwany jednoczesnym przewodzeniem (shoot-through). (Źródło ilustracji: Quora)
