Dobór sterowników do urządzeń mocy
Dobór odpowiedniego sterownika do urządzenia przełączającego stanowi wyzwanie dla projektantów ze względu na specyfikę urządzenia mocy i nieuniknione zjawiska pasożytnicze w obwodzie i układzie.
Każde dyskretne przełączające urządzenie mocy wymaga sterownika, niezależnie od tego, czy jest to krzemowy metalowo-tlenkowy tranzystor polowy (MOSFET), węglikowo-krzemowy (SiC) tranzystor MOSFET, tranzystor bipolarny z izolowaną bramką (IGBT), czy moduł. Sterownik jest komponentem pośredniczącym lub „pomostem” pomiędzy niskonapięciowym i niskoprądowym wyjściem procesora systemowego pracującego w kontrolowanym, łagodnym scenariuszu a brutalnym światem urządzenia przełączającego z jego rygorystycznymi wymaganiami dotyczącymi prądu, napięcia i taktowania.
Dobór odpowiedniego sterownika do urządzenia przełączającego stanowi wyzwanie dla projektantów ze względu na specyfikę urządzenia mocy i nieuniknione zjawiska pasożytnicze w obwodzie i układzie. Wymaga to starannego rozważenia parametrów typu przełącznika krzem (Si) czy węglik krzemu (SiC). Producenci urządzeń mocy często sugerują, a nawet oferują odpowiednie sterowniki, jednak pewne czynniki związane ze sterownikami muszą być dostosowane do specyfiki danego zastosowania.
Chociaż w większości przypadków należy postępować zgodnie z podstawową logiczną procedurą, niektóre ustawienia, takie jak wartość rezystora sterującego bramką, są określane w drodze analizy iteracyjnej i muszą być również zweryfikowane poprzez praktyczne próby i ewaluację. Bez jasnych wskazówek, kroki te mogą komplikować i tak już złożony proces oraz spowalniać projektowanie.
W artykule omówiono pokrótce rolę sterownika bramki. Następnie artykuł podaje wskazówki dotyczące doboru sterownika i czynności niezbędnych do zapewnienia zgodności z wybranym przełączanym urządzeniem mocy. Przedstawia przykładowe urządzenia Infineon Technologies AG niższej i wyższej mocy, aby zilustrować najważniejsze punkty, wraz z powiązanymi płytkami ewaluacyjnymi i zestawami.
Rola sterownika bramki
Mówiąc najprościej, sterownik bramki to wzmacniacz mocy, który przyjmuje sygnał wejściowy o niskim poziomie i niskiej mocy z układu scalonego sterownika (zwykle procesora) i wytwarza odpowiednie wysokoprądowe wysterowanie bramki o napięciu niezbędnym do włączenia i wyłączenia urządzenia mocy. Za tą prostą definicją kryje się między innymi złożony świat napięć, prądów, szybkości narastania, zjawisk pasożytniczych, stanów nieustalonych i zabezpieczeń. Sterownik musi odpowiadać potrzebom układu i precyzyjnie sterować przełącznikiem mocy, bez przeregulowania lub oscylacji komutacyjnych, nawet jeśli zjawiska pasożytnicze i stany nieustalone stają się coraz większym wyzwaniem wraz ze wzrostem prędkości przełączania.
Sterowników można używać w różnych konfiguracjach. Do najczęściej spotykanych należy pojedynczy sterownik strony niskiej, pojedynczy przetwornik strony wysokiej i podwójny sterownik strony wysokiej lub niskiej.
W pierwszym przypadku urządzenie mocy (przełącznik) jest podłączone między obciążeniem a masą, podczas gdy obciążenie znajduje się między szyną zasilającą a przełącznikiem (ilustracja 1). (Należy zauważyć, że ta masa powinna być bardziej właściwie nazywana „punktem wspólnym", ponieważ nie istnieje rzeczywista masa uziemiająca, ale zamiast tego występuje wspólny punkt obwodu, który definiuje punkt 0V).

Ilustracja 1: W konfiguracji dla strony niskiej, sterownik i przełącznik są umieszczone między obciążeniem i masą obwodu lub punktem wspólnym. (Źródło ilustracji: Infineon Technologies AG)
W komplementarnym układzie strony wysokiej przełącznik jest bezpośrednio podłączony do szyny zasilającej, podczas gdy obciążenie znajduje się między przełącznikiem a masą lub punktem wspólnym (ilustracja 2).

Ilustracja 2: Konfiguracja strony wysokiej odwraca położenie przełącznika względem obciążenia i szyny zasilającej. (Źródło ilustracji: Infineon Technologies AG)
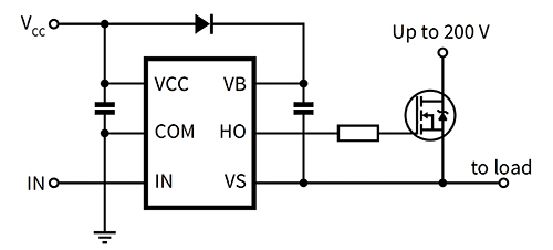
Inną powszechnie stosowaną topologią jest para sterowników dla strony wysokiej i niskiej, służąca do sterowania dwoma przełącznikami połączonymi w układzie mostkowym (ilustracja 3).

Ilustracja 3: W tandemie sterowników dla strony wysokiej / niskiej, dwa przełączniki są sterowane naprzemiennie, a obciążenie znajduje się między nimi. (Źródło ilustracji: Infineon Technologies AG)