Projektowanie

Szybkie wdrażanie przetwornic obniżających w automatyce, 5G i IoT

offerings-mobile

Zamiast elementów dyskretnych projektanci mogą sięgnąć po zintegrowane zasilające układy scalone, które łączą w sobie tranzystory MOSFET z niezbędnymi układami sprzężenia zwrotnego i sterowania, zoptymalizowane pod kątem przetwornic obniżających.

Obniżające przetwornice prądu stałego są powszechnie stosowane do efektywnego obniżania wysokiego napięcia w wielu systemach elektronicznych, takich jak stacje bazowe 5G, urządzenia automatyki przemysłowej (FA) i urządzenia Internetu rzeczy (IoT). Na przykład: napięcie 12V prądu stałego (V=) lub 48V= z akumulatora lub szyny rozdzielczej zasilania często musi być przekształcone na niższe napięcie w celu zasilenia cyfrowych układów scalonych, czujników analogowych, sekcji częstotliwości radiowych (RF) i urządzeń interfejsowych.

Projektanci mogą wprawdzie stosować dyskretne przetwornice obniżające i optymalizować je dla konkretnego projektu pod względem charakterystyki pracy i układu płytki drukowanej, ale takie podejście wiąże się z pewnymi trudnościami. Niektóre z nich to: dobór odpowiedniego tranzystora mocy MOSFET, zaprojektowanie układu sprzężenia zwrotnego i sterowania, konstrukcja cewki indukcyjnej oraz wybór pomiędzy topologią asynchroniczną i synchroniczną. Ponadto konstrukcja musi zawierać liczne funkcje zabezpieczające, zapewniać maksymalną sprawność i niewielkie rozmiary rozwiązania. Jednocześnie projektanci są zmuszani do skracania czasu projektowania i obniżania kosztów, co powoduje konieczność znalezienia bardziej odpowiednich opcji rozwiązań w dziedzinie przetwornic mocy.

Zamiast metody dyskretnej projektanci mogą sięgnąć po zintegrowane zasilające układy scalone, które łączą w sobie tranzystory MOSFET z niezbędnymi układami sprzężenia zwrotnego i sterowania, zoptymalizowane pod kątem wysokosprawnych przetwornic obniżających.

W niniejszym artykule omówiono kompromisy pod względem parametrów działania w obniżających przetwornicach asynchronicznych i synchronicznych prądu stałego oraz ich wpływ na potrzeby konkretnych zastosowań. Przedstawiono w nim przykładowy zintegrowany układ scalony asynchronicznej przetwornicy obniżającej i układ scalony synchronicznej przetwornicy obniżającej firmy ROHM Semiconductor oraz omówiono kwestie związane z wdrożeniem, w tym dobór wyjściowej cewki indukcyjnej i kondensatora oraz rozmieszczenie elementów na płytce drukowanej. W dyskusji uwzględniono płytki ewaluacyjne, które pomogą projektantom w rozpoczęciu pracy.

Dlaczego warto używać przetwornicy obniżającej?

W zastosowaniach, które wymagają prądu o natężeniu kilku amperów, przetwornica obniżająca stanowi bardziej wydajną alternatywę niż regulator liniowy. Sprawność regulatora liniowego może wynosić około 60%, natomiast sprawność asynchronicznej przetwornicy obniżającej może przekraczać 85%.

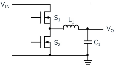
Podstawowa asynchroniczna przetwornica obniżająca składa się z przełącznika MOSFET, diody Schottky'ego, kondensatora, cewki indukcyjnej oraz obwodów sterujących (nie pokazano), które włączają i wyłączają tranzystor MOSFET (ilustracja 1). Przetwornica obniżająca pobiera wejściowe napięcie stałe (VIN) i przekształca je w pulsacyjny prąd zmienny, który jest prostowany przez diodę, a następnie filtrowany przez cewkę indukcyjną i kondensator w celu wytworzenia regulowanego napięcia wyjściowego prądu stałego (VO). Nazwa tej topologii pochodzi od tego, że napięcie na cewce indukcyjnej ma przeciwny kierunek od napięcia wejściowego (obniża je).

Schemat topologii asynchronicznej przetwornicy obniżającej

Ilustracja 1: Topologia asynchronicznej przetwornicy obniżającej, bez układu sterowania z tranzystorem MOSFET. (Źródło ilustracji: ROHM Semiconductor)

Układ sterujący mierzy napięcie wyjściowe i okresowo włącza i wyłącza tranzystor MOSFET, aby utrzymać napięcie wyjściowe na żądanym poziomie. Gdy obciążenie ulega zmianie, sterownik zmienia czas, przez jaki tranzystor MOSFET jest włączony, aby dostarczyć mniej lub więcej prądu do wyjścia, co jest konieczne do utrzymania (regulacji) napięcia wyjściowego. Procent czasu, przez jaki tranzystor MOSFET jest włączony podczas jednego pełnego cyklu włączania/wyłączania, jest nazywany cyklem pracy. W związku z tym wyższe cykle pracy umożliwiają osiągnięcie wyższych prądów obciążenia.

Synchroniczne przetwornice obniżające

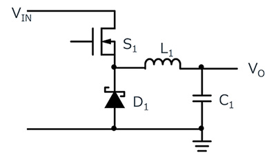
W zastosowaniach, w których wymagana jest wyższa sprawność niż w przypadku asynchronicznej przetwornicy obniżającej, projektanci mogą zastosować synchroniczną przetwornicę obniżającą, w której dioda Schottky'ego jest zastąpiona synchronicznym prostownikiem MOSFET (ilustracja 2). Rezystancja synchronicznego tranzystora MOSFET (S2) w stanie włączenia jest znacznie mniejsza niż diody Schottky'ego, w efekcie czego uzyskujemy mniejsze straty i wyższą sprawność, ale z kolei wyższy koszt.

Jednym z wyzwań jest to, że w tym przypadku konieczne jest skoordynowane włączanie i wyłączanie dwóch tranzystorów MOSFET. Jeśli oba tranzystory MOSFET zostaną włączone w tym samym czasie, powstanie zwarcie łączące napięcie wejściowe bezpośrednio z masą, co może doprowadzić do uszkodzenia lub zniszczenia przetwornicy. Zapobieganie temu zwiększa złożoność obwodu sterującego, co dodatkowo zwiększa koszty i wydłuża czas projektowania w porównaniu z konstrukcją asynchroniczną.

W przypadku tego obwodu sterującego w synchronicznej przetwornicy obniżającej pomiędzy przełączeniami występuje „czas martwy”, w którym oba przełączniki są wyłączone na bardzo krótki okres, aby zapobiec jednoczesnemu przewodzeniu. Na szczęście dla projektantów dostępne są zasilające układy scalone, które łączą w sobie tranzystory mocy MOSFET i obwody sterujące potrzebne do tworzenia przetwornic obniżających.

Diagram topologii synchronicznej przetwornicy obniżającej

Ilustracja 2: Topologia synchronicznej przetwornicy obniżającej z synchronicznym prostującym tranzystorem MOSFET zamiast diody Schottky'ego (S2). (Źródło ilustracji: ROHM Semiconductor)

Strona: 1/2
Następna