Unikanie zakłóceń podczas włączania zasilania układów niskiego napięcia
Każdy inżynier wie, że jednym z najbardziej niebezpiecznych momentów włączanie zasilania układu - w zależności od kilku zmiennych, różne części układu mogą się uruchamiać, blokować lub załączać w nieprawidłowym trybie.
Rozwiązywanie problemu zakłóceń
Wyeliminowanie tego problemu lub zminimalizowanie jego wpływu nie wymaga powrotu do szyn wysokiego napięcia ani skomplikowanej architektury na poziomie układu. Wymaga natomiast nowej generacji nadzorujących układów scalonych, podczas projektowania których wzięto pod uwagę osobliwą charakterystykę problemu i które zapobiegają powstawaniu zakłóceń, niezależnie od poziomu napięcia w momencie włączenia zasilania lub spadku napięcia.
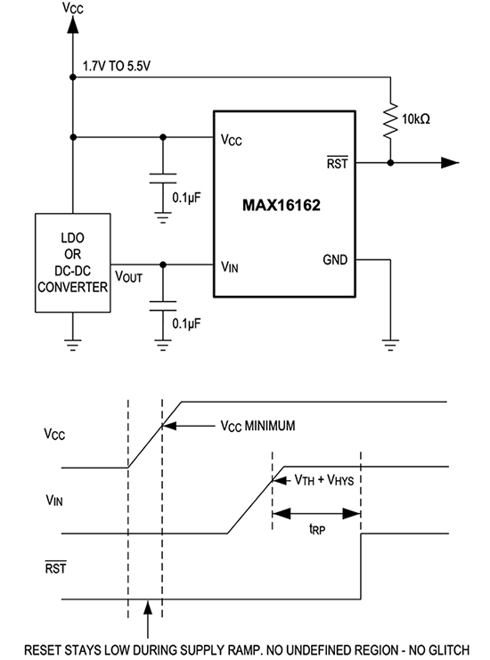
Osiągnięcie tego celu wymaga użycia specjalistycznego obwodu i układu scalonego, na przykład MAX16162, czyli układu nadzorującego zasilanie typu nanopower z funkcją włączania zasilania bez zakłóceń. Dzięki temu malutkiemu układowi scalonemu - dostępnemu w obudowie typu WLP (Wafer Level Package) z czterema kulkami oraz typu SOT23 z czterema wtykami - wyjście resetowania jest utrzymywane na niskim poziomie, gdy napięcie VDD jest niższe od napięcia progowego, co zapobiega powstawaniu zakłóceń napięcia na linii resetowania. Po osiągnięciu wartości progowej napięcia i zakończeniu okresu zwłoki wyjście resetowania jest dezaktywowane i włącza mikrokontroler (ilustracja 5).

Ilustracja 5: układ scalony MAX16162 utrzymuje niskie napięcie wyjścia resetowania, gdy napięcie VDD jest niższe od napięcia progowego, co zapobiega powstawaniu zakłóceń napięcia na linii resetowania. (Źródło ilustracji: Analog Devices)
W przeciwieństwie do konwencjonalnych nadzorujących układów scalonych, które nie są w stanie sterować stanem wyjścia resetowania, gdy napięcie VCC jest bardzo niskie, urządzenie MAX16162 gwarantuje utrzymanie stanu aktywacji wyjścia resetowania aż do osiągnięcia prawidłowego poziomu VCC.
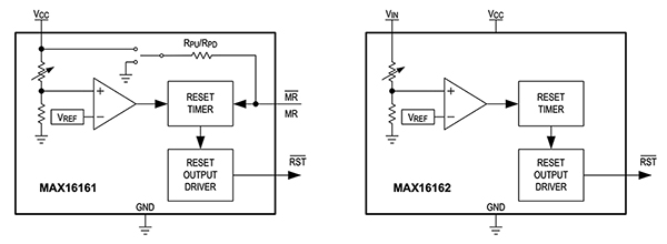
Układ scalony MAX16161 jest blisko spokrewniony z układem MAX16162 - mają one niemal identyczne parametry, z jedną tylko różnicą funkcjonalną i nieco zmienionym przypisaniem wtyków (ilustracja 6). Posiada wejście resetowania ręcznego (MR), które umożliwia reset po odebraniu odpowiedniego sygnału wejściowego, którym może być sygnał typu „aktywne-niskie” lub „aktywne-wysokie”, w zależności od wybranej opcji. Natomiast urządzenie MAX16162 nie posiada wejścia MR, ale zamiast tego występują oddzielne wtyki VCC i VIN,, które pozwalają na obsługę napięć progowych o wartości zaledwie 0,6V.
Ilustracja 6: urządzenia MAX16161 i MAX16162 są podobne, choć różnią się nieco funkcjonalnie i pod kątem układu wtyków: układ scalony MAX16161 jest wyposażony w wejście resetowania ręcznego (MR), które aktywuje resetowanie po odebraniu odpowiedniego sygnału wejściowego, a układ scalony MAX16162 posiada osobne wtyki VCC i VIN. (Źródło ilustracji: Analog Devices)
Sekwencer a układ nadzorujący
Inną parą terminów, które mają pewien wspólny mianownik i mogą nie być jednoznacznie zrozumiane jest para sekwencer i układ nadzorujący. Układ nadzorujący monitoruje pojedyncze napięcie zasilania i w określonych okolicznościach aktywuje lub zwalnia operację resetowania. Sekwencer natomiast koordynuje resety względne i aktywacje typu „Power OK” pomiędzy co najmniej dwiema szybami.
Układy MAX16161 i MAX16162 mogą być używane jako proste sekwencery zasilania (ilustracja 7). Po osiągnięciu prawidłowej wartości napięcia wyjściowego pierwszego regulatora, urządzenia MAX16161/MAX16162 stosują opóźnienie i generują sygnał uruchomienia dla drugiego regulatora po upływie limitu czasu resetowania. Ponieważ urządzenia MAX16161/MAX16162 nie dezaktywują resetu do czasu osiągnięcia przez napięcie zasilania prawidłowej wartości, nigdy nie dochodzi do nieprawidłowego włączenia sterowanego zasilania.
Ilustracja 7: obwód wykorzystujący układ MAX16161 można skonfigurować tak, aby urządzenie nie tylko zapewniło włączanie zasilania bez zakłóceń, ale także zarządzało sekwencją między dwiema szynami. (Źródło ilustracji: Analog Devices)
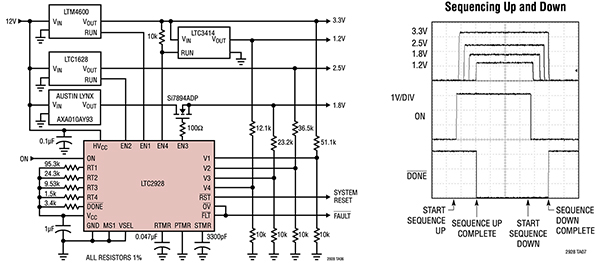
Istnieją również liczne projekty z wieloma szynami i bardziej złożonymi potrzebami w zakresie sekwencjonowania. W takich sytuacjach rozwiązaniem może być wielokanałowy sekwencer zasilania z układem nadzorującym LTC2928 firmy Analog Devices (ilustracja 8).
Ilustracja 8: sekwencer zasilania LTC2928 zarządza kolejnością włączania i wyłączania zasilania czterech niezależnych szyn i umożliwia użytkownikowi kontrolę nad kluczowymi parametrami. (Źródło ilustracji: Analog Devices)
Ten czterokanałowy kaskadowy sekwencer zasilania z układem nadzorującym wysokiej dokładności pozwala projektantom na konfigurowanie wartości progowych, kolejności i synchronizacji zarządzania zasilaniem, przy użyciu zaledwie kilku komponentów zewnętrznych. Zapewnia on żądaną kolejność włączania szyn zasilania. Poza sekwencjonowaniem włączania zasilania może on zarządzać dodatkowym, ale często równie krytycznym sekwencjonowaniem wyłączania zasilania.
Wyjścia sekwencji służą do sterowania wtykami włączania zasilania lub bramkami przepustowymi z kanałem N. Dodatkowe funkcje kontrolne to m.in. monitorowanie i raportowanie zbyt niskiego i zbyt wysokiego napięcia, a także generowanie resetu mikroprocesora. Typ i źródło usterek są zgłaszane do celów diagnostycznych. Dostępne są oddzielne elementy sterujące kanałami umożliwiające wykonywanie funkcji włączania wyjść i funkcji kontrolnych niezależnie. W przypadku układów zawierających więcej niż cztery szyny, można z łatwością podłączyć wiele modułów LTC2928s w celu sekwencjonowania nieograniczonej liczby zasilaczy.
Podsumowanie
Zakłócenia występują w każdym zastosowaniu, ale nie stanowią one istotnego problemu w przypadku wyższych napięć, które aż do niedawna stanowiły większość. Obecnie napięcia zasilania obniżają się, co zmniejsza niezawodność układów podczas włączania na skutek zakłóceń o napięciu 0,9V.
Projektanci mogą poprawić niezawodność swoich rozwiązań dzięki nowszym układom scalonym, które zapewniają bezzakłóceniową pracę układu, w celu zapewnienia najwyższego poziomu ochrony układów w niskonapięciowych zastosowaniach niskiej mocy.
Rekomendowane artykuły
Autor: Bill Schweber
Kontakt w Polsce: Arkadiusz Rataj
Sales Manager Central Eastern Europe & Turkey
Digi-Key Electronics Germany
0048 696 307 330
arkadiusz.rataj@digikey.com
poland.support@digikey.pl


