Niskoszumowe zasilanie układów FPGA i ASIC
W kontrolerach regulatorów przełączających i podsystemach zasilających mogą występować problemy z szumami zarówno na szynach wyjściowych, jak i w postaci EMI, RFI, nieodpowiedniej odpowiedzi impulsowej oraz ograniczeń w rozplanowaniu układu.
Różnorodność grup regulatorów Silent Switcher
Istnieje wiele grup i modeli regulatorów Silent Switcher o różnych parametrach znamionowych napięcia i prądu w obrębie poszczególnych grup. Niektóre dodatkowe cechy, takie jak ustalone lub nastawne wyjście, zależą od modelu. Do grupy urządzeń LTC33xx należą:
- LTC3307: synchroniczny obniżający regulator Silent Switcher, 5V, 3A, w obudowie LQFN o wymiarach 2mm × 2mm
- LTC3308A: synchroniczny obniżający regulator Silent Switcher, 5V, 4A, w obudowie LQFN o wymiarach 2mm × 2mm
- LTC3309A: synchroniczny obniżający regulator Silent Switcher, 5V, 6A, w obudowie LQFN o wymiarach 2mm × 2mm
- LTC3310: synchroniczny obniżający regulator Silent Switcher 2, 5V, 10A, w obudowie LQFN o wymiarach 3mm × 3mm
Patrząc bardziej szczegółowo, urządzenie jest bardzo małą, niskoszumową, monolityczną obniżającą przetwornicą prądu stałego dostarczającą maksymalnie 10A prądu wyjściowego z zasilania wejściowego od 2,25 do 5,5V. Zakres VOUT wynosi od 0,5V do VIN. Częstotliwość przełączania obejmuje zakres od 500kHz do nawet 5MHz. Wymaganych jest niewiele zewnętrznych komponentów pasywnych, a jego sprawność wynosi około 90% w większości zakresu obciążeń wyjściowych (ilustracja 3).
Ilustracja 3: Obniżający regulator prądu stałego LTC3310 wymaga zewnętrznych komponentów aktywnych i zapewnia wysoką sprawność w większości zakresu obciążeń. (Źródło ilustracji: Analog Devices)
Jest on dostępny w czterech podstawowych wersjach. Urządzenia zapewniają niski poziom zakłóceń elektromagnetycznych (EMI), wysoką sprawność przy częstotliwościach przełączania sięgających 5MHz. Istnieją wersje z grupy LTC3310, które posiadają kwalifikację do zastosowań motoryzacyjnych AEC-Q100. Należy zauważyć, że zarówno urządzenia pierwszej generacji (SS1) LTC3310, jak i drugiej generacji (SS2) - LTC3310S i LTC3310S-1 - są dostępne z nastawnym i ustalonym wyjściem (tabela 1):
Numer katalogowyTechnologia Silent SwitcherVOUTLTC3310SSS2NastawneLTC3310S-1SS2Ustalone 1VLTC3310SS1NastawneLTC3310-1SS1Ustalone 1V
Tabela 1: Regulator LTC3310 jest dostępny w czterech podstawowych wersjach o konstrukcji pierwszej i drugiej generacji wyposażonej w ustalone i nastawne wyjścia. (Źródło ilustracji: Analog Devices)
W przypadku wersji nastawnych, napięcie wyjściowe jest zaprogramowane poprzez dzielnik rezystorowy pomiędzy wyjściem a wtykiem sprzężenia zwrotnego (FB) przy użyciu prostego równania do określenia prawidłowej wartości rezystora (ilustracja 5).

Ilustracja 5: Określenie napięcia wyjściowego nastawnych urządzeń LTC3310 wymaga jedynie podstawowej sieci dzielnika rezystorowego opartej na prostym równaniu. (Źródło ilustracji: Analog Devices)
Poziomy szumów są zwykle rzędu dziesiątek mikrowoltów. Dwoma kluczowymi miernikami niskoszumowych parametrów działania urządzeń LTC3310 są testy wykonywane zgodnie z odpowiednimi limitami szczytowymi klasy 5 CISPR25. Obejmują one szumy przewodzone (ilustracja 6) oraz promieniowane w płaszczyźnie poziomej i pionowej (ilustracja 7).

Ilustracja 6: Prawidłowo umieszczony regulator oparty na regulatorze LTC3310S spełnia rygorystyczne limity CISPR25 dotyczące emisji przewodzonych zakłóceń elektromagnetycznych (szczytowe klasy 5). (Źródło ilustracji: Analog Devices)
Ilustracja 7: W przypadku testów emisji promieniowanych urządzenie LTC3310S spełnia wymagania CISPR25 zarówno dla płaszczyzny poziomej (po lewej) jak i pionowej (po prawej). (Źródło ilustracji: Analog Devices)
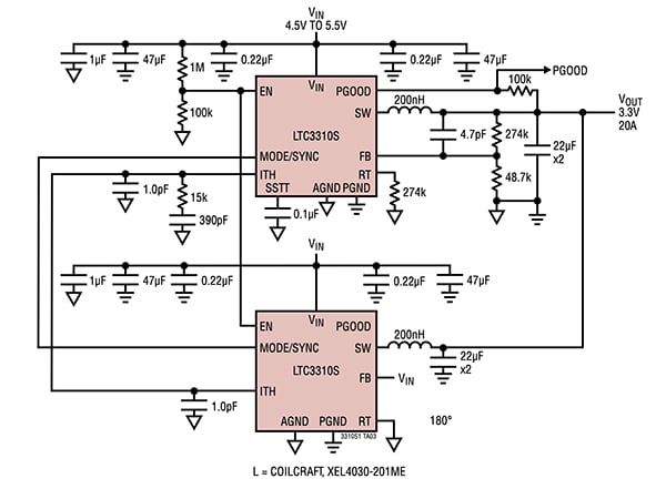
Kolejną wartą uwagi cechą grupy LTC3310 jest łatwość, z jaką urządzenia mogą być używane równolegle do pracy wielofazowej przy wyższych wartościach prądu, co jest funkcją, której wiele innych regulatorów przełączających nie obsługuje lub obsługuje z trudem. Najprostsze łączenie równoległe dotyczy pracy dwufazowej i pozwala na uzyskanie prądu do 20A (ilustracja 8). Metoda ta może być łatwo rozszerzona na trzy, cztery lub więcej faz i odpowiednio wyższe wartości prądu.

Ilustracja 8: Za pomocą kilku dodatkowych komponentów można połączyć dwa lub więcej urządzeń LTC3310 w celu uzyskania wielofazowej pracy przy wyższej wartości prądu; ukazano konfigurację dwufazową/20A. (Źródło ilustracji: Analog Devices)

