Użycie diod TVS w celu ochrony sieci Gigabit Ethernet przed napięciami i prądami w stanach nieustalonych
Bezpieczeństwo systemów Ethernet stanowi wyzwanie, zwłaszcza gdy łączność wykracza poza budynek. W długich liniach mogą występować nieoczekiwane wysokie przejściowe napięcia i natężenia prądu, a ciągłe zagrożenie stanowią też wyładowania ESD.
Diody TVS do ochrony warstwy fizycznej (PHY) sieci GbE
Diody TVS można stosować nie tylko do ochrony sieci GbE, ale także szeregu interfejsów, w tym HDMI, USB Type-C, RS-485 i DisplayPort. Jednak każdy ze wspomnianych interfejsów wymaga nieco różnych poziomów ochrony. Dlatego ważne jest, aby dioda TVS została zaprojektowana do konkretnego zastosowania.
Na przykład firma Semtech produkuje linię diod TVS przeznaczonych do ochrony interfejsów GbE. Urządzenia te są produkowane przy użyciu technologii, która według Semtech prowadzi do zmniejszenia prądu upływu i pojemności w porównaniu do innych technologii produkcji krzemowych diod lawinowych. Kolejną zaletą tej gamy produktów jest niskie napięcie robocze od 3,3 do 5V (w zależności od wersji), co pozwala oszczędzać energię.
Na przykład w serii RailClamp znajduje się dioda RCLAMP0512TQTCT, która nadaje się do ochrony interfejsów2,5 GbE. Prąd szczytowy impulsu tego urządzenia IPP wynosi 20A (tp = 8/20 i 1,2/50µs) a moc szczytowa impulsu (PPK) 170W. Napięcie wytrzymywane wyładowań elektrostatycznych (ESD) wynosi +/-30 kV. VBR wynosi 9,2V (typ.), IH wynosi 150mA (typ.), natomiast wartość typowa VC to 5V, a maksymalna 8,5V (ilustracja 7).

Ilustracja 7: Charakterystyka napięcia progowego diody RCLAMP0512TQTCT przy napięciu 1,2/50µs i szczytowej wartości udaru prądowego na poziomie 8/20µs osiągającej przy 20A. Po krótkotrwałym szczycie napięcie progowe kształtuje się poniżej 5V, chroniąc warstwę fizyczną (PHY) sieci GbE. (Źródło ilustracji: Semtech)
Dioda RCLAMP0512TQ to kompaktowe urządzenie w 3-wtykowej obudowie SGP1006N3T o wymiarach 1,0 x 0,6 x 0,4mm.
W serii RailClamp firmy Semtech znaleźć można także inne produkty, które zapewnią większą ochronę dla systemów 1 GbE, odpowiednie do zastosowań o wyższym stopniu zagrożenia. Na przykład dioda RCLAMP3374N.TCT ma prąd szczytowy impulsu IPP wynoszący 40A (tp = 8/20 i 1.2/50µs) oraz moc szczytową PPK równą 1kW. Napięcie wytrzymywane wyładowań elektrostatycznych (ESD) wynosi +/-30 kV. VC wynosi 25V (maks.) przy IPP = 40A. Wymiary komponentu: 3,0 x 2,0 x 0,60mm.
Urządzeniem o średnich parametrach na tle całej serii RailClamp jest dioda RCLAMP3354S.TCT. Jest ona odpowiednia do ochrony w systemach 1 GbE i charakteryzuje się prądem szczytowym impulsu IPP 25A (TP = 8/20 i 1.2/50µs) oraz mocą szczytową PPK 400W. Napięcie wytrzymywane wyładowań elektrostatycznych (ESD) wynosi +/-30 kV. VC wynosi 16V (maks.) przy IPP = 25A.
Projektowanie z użyciem zabezpieczających diod TVS
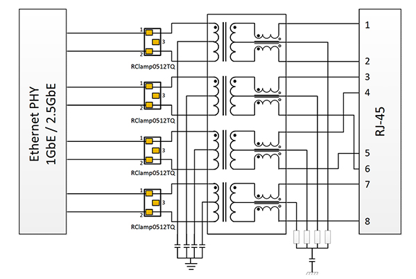
Ilustracja 8 przedstawia schemat ochrony warstwy fizycznej (PHY) sieci GbE zapewnianej przez diodę RCLAMP0512TQTCT. Urządzenia znajdują się po stronie warstwy fizycznej (PHY) transformatora w celu ochrony przed udarami sygnału różnicowego, przy czym na każdej parze linii Ethernet umieszczone jest jedno urządzenie. Pary różnicowe Ethernet są prowadzone przez poszczególne komponenty diod TVS na wtykach 1 i 2, a wtyk 3 pozostaje niepodłączony.
Ilustracja 8: Komponenty zabezpieczające w formie diod TVS są umieszczone po stronie warstwy fizycznej (PHY) transformatorów, na każdej parze linii różnicowych i jak najbliżej komponentów magnetycznych warstwy fizycznej (PHY). (Źródło ilustracji: Semtech)
Inżynierowie powinni ograniczać indukcyjność pasożytniczą w ścieżce ochrony poprzez rozmieszczanie komponentów ochronnych fizycznie tak blisko komponentów magnetycznych warstwy fizycznej (PHY) sieci Ethernet, jak to możliwe, a najlepiej po tej samej stronie płytki drukowanej. Pomocne jest również wykonywanie połączeń masowych bezpośrednio do płaszczyzny masy na płytce drukowanej za pomocą mikroprzelotek.
Zmniejszenie indukcyjności pasożytniczej jest szczególnie ważne dla ograniczania stanów nieustalonych o krótkim czasie narastania. Indukcyjność na ścieżce urządzenia ochronnego zwiększa napięcie VC, na które narażone jest zabezpieczane urządzenie. Napięcie VC jest proporcjonalne do indukcyjności ścieżki pomnożonej przez prędkość zmiany natężenia prądu w czasie udaru. Na przykład już indukcyjność ścieżki o wartości zaledwie 1nH może zwiększyć wartość szczytową VC o 30V dla impulsu wyładowania elektrostatycznego (ESD) 30A przy czasie narastania równym 1ns.
Należy pamiętać, że wybrany transformator sieci Ethernet będzie musiał wytrzymywać przewidywane udary bez awarii. Typowy transformator do sieci Ethernet może wytrzymać kilkaset amperów (TP = 8/20µs) bez awarii, ale należy to sprawdzić w drodze prób. Ewentualnie w przypadku obaw co do odporności transformatora na udary, można zainstalować komponent ochronny po stronie linii transformatora. Minusem takiego rozwiązania jest utrata dodatkowej ochrony zapewnianej przez transformator, a zdolność systemu GbE do wytrzymywania wysokich udarów prądowych ogranicza się jedynie do możliwości urządzenia ochronnego.
Podsumowanie
Technologia GbE jest niezawodnym i rozpowszechnionym systemem komunikacji o wysokiej prędkości transferu danych. Tym niemniej każdy system przewodowy jest narażony na stany nieustalone energii powodowane zjawiskami takimi jak jak wyładowania atmosferyczne i elektrostatyczne (ESD). Takie udary są w pewnym stopniu łagodzone przez transformatory portów GbE, dławiki sygnałów wspólnych i obwody zakończeniowe, jednak środki te mogą okazać się nieskuteczne w odniesieniu do udarów sygnału różnicowego, które mogą uszkadzać warstwę fizyczną (PHY) sieci Ethernet. Dla systemów o znaczeniu krytycznym zaleca się stosowanie dodatkowej ochrony.
Diody TVS stanowią dobrą opcję, gdyż skutecznie obniżają maksymalne napięcie przejściowe do bezpiecznego poziomu, nie wymagają resetowania, są kompaktowe i stosunkowo niedrogie. Jako że dostępne zakresy parametrów komponentów ochronnych, w tym obsługiwane prądy szczytowe, są zróżnicowane, zaleca się staranne dopasowanie komponentu ochronnego do konkretnego zastosowania. Ponadto w celu zmaksymalizowania ochrony zapewnianej przez daną diodę TVS zaleca się przestrzegać dobrych praktyk projektowych, takich jak odpowiednie rozmieszczenie i uziemienie.
Kontakt w Polsce: poland.support@digikey.pl
Autor: Rolf Horn
Rolf Horn, Applications Engineer at DigiKey, has been in the European Technical Support group since 2014 with primary responsibility for answering any Development and Engineering related questions from final customers in EMEA, as well as writing and proof-reading German articles and blogs on DK’s TechForum and maker.io platforms. Prior to DigiKey, he worked at several manufacturers in the semiconductor area with focus on embedded FPGA, Microcontroller and Processor systems for Industrial and Automotive Applications. Rolf holds a degree in electrical and electronics engineering from the university of applied sciences in Munich, Bavaria and started his professional career at a local Electronics Products Distributor as System-Solutions Architect to share his steadily growing knowledge and expertise as Trusted Advisor.
Hobbies: spending time with family + friends, travelling in our VW-California transporter and motorbiking on a 1988 BMW GS 100.
